 
 
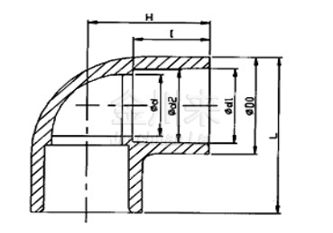
ANSI SCH80 
	
| Size | Do | d1 | d2 | I | d | H | L | 
| 1/2″ | 30.5 | 21.54 | 21.23 | 24.22 | 16 | 37 | 52.5 | 
| 3/4″ | 38 | 26.87 | 26.57 | 27.4 | 22 | 42.5 | 60.5 | 
| 1″ | 44 | 33.66 | 33.27 | 30.58 | 28 | 49 | 71 | 
| 1-1/4″ | 54 | 42.42 | 42.04 | 34.75 | 35 | 58 | 85 | 
| 1-1/2″ | 60 | 48.56 | 48.11 | 37.93 | 43 | 64 | 94 | 
| 2″ | 73 | 60.63 | 60.17 | 41.1 | 54 | 73 | 109.5 | 
| 2-1/2″ | 89 | 73.38 | 72.85 | 47.45 | 65 | 86 | 130.5 | 
| 3″ | 106 | 89.31 | 88.70 | 50.63 | 80 | 99 | 152 | 
| 4″ | 133 | 114.76 | 114.07 | 60.15 | 100 | 119 | 185.5 | 
| 5″ | 162 | 141.81 | 141.04 | 70 | 134 | 149 | 230 | 
| 6″ | 192 | 168.83 | 168 | 79.2 | 150 | 168 | 264 | 
| 8″ | 246 | 219.84 | 218.69 | 104.6 | 200 | 220 | 343 | 
| 10″ | 306.5 | 273.81 | 272.67 | 130 | 265 | 280 | 433 | 
| 12″ | 364 | 324.61 | 323.47 | 155 | 315 | 335 | 517 | 
| 14″ | 397 | 356.49 | 355.22 | 180 | 346 | 428 | 626 | 
	
 
 
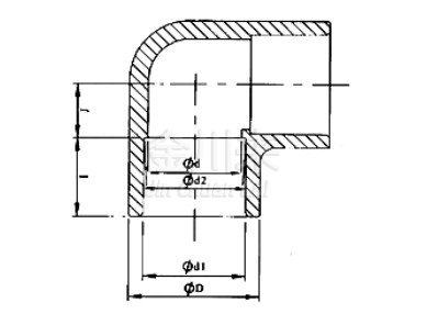
GB PN10/DIN PN16
	
| 
						Size | ∮d1 | ∮d2 | ∮D | ∮d | I | L | 
| 1/2″(15mm) | 20.3 | 19.9 | 26 | 16 | 16 | 11 | 
| 3/4″(20mm) | 25.3 | 24.9 | 32 | 20 | 19 | 13.5 | 
| 1″(25mm) | 32.3 | 31.9 | 41 | 27 | 22 | 18 | 
| 1-1/4″(32mm) | 40.3 | 39.9 | 50.5 | 34 | 26 | 22 | 
| 1-1/2″(40mm) | 50.3 | 49.9 | 63.2 | 44 | 31 | 27 | 
| 2″(50mm) | 63.3 | 62.9 | 79.5 | 57 | 38 | 33.5 | 
| 2-1/2″(65mm) | 75.35 | 74.9 | 93 | 73.5 | 44 | 41.6 | 
| 3″(80mm) | 90.5 | 89.9 | 112 | 89.9 | 51 | 48 | 
| 4″(100mm) | 110.6 | 109.9 | 133.1 | 107 | 61 | 58 | 
| 5″(125mm) | 140.85 | 140.05 | 163 | 136 | 77 | 74 | 
| 6″(150mm) | 160.85 | 160.05 | 186 | 155.5 | 86 | 83 | 
| 8″(200mm) | 226.25 | 225.06 | 261 | 220 | 118 | 115.5 | 
| 10″(250mm) | 251.45 | 250.05 | 290 | 239 | 131 | 128 | 
| 12″(300mm) | 316.85 | 315.05 | 364 | 304 | 163 | 163 | 
| 14″(350mm) | 356.85 | 355.05 | 396.5 | 346 | 180 | 248 | 
	 
 



 
 
 Copyright ? 2004-2018  金川來公司版權(quán)所有   備案號(hào):
Copyright ? 2004-2018  金川來公司版權(quán)所有   備案號(hào):